沐鑫检测
MUXIN TEST
网站首页
公司简介
ꄷ
自我声明
清洁生产
ꄷ
2026信息公示
ꄷ
2025信息公示
ꄷ
2024信息公示
职业卫生
ꄷ
2026信息公示
ꄷ
2025年信息公示
ꄷ
2024年信息公示
ꄷ
2023年信息公示
ꄷ
2022年信息公示
环境检测
ꄷ
2026信息公示
ꄷ
2025信息公示
新闻资讯
ꄷ
公司新闻
ꄷ
行业资讯
联系我们
끠
搜索
了解更多
넳
넲
ꁸ
回到顶部
ꂅ
17796821369
ꁗ
QQ客服
ꀥ
微信二维码
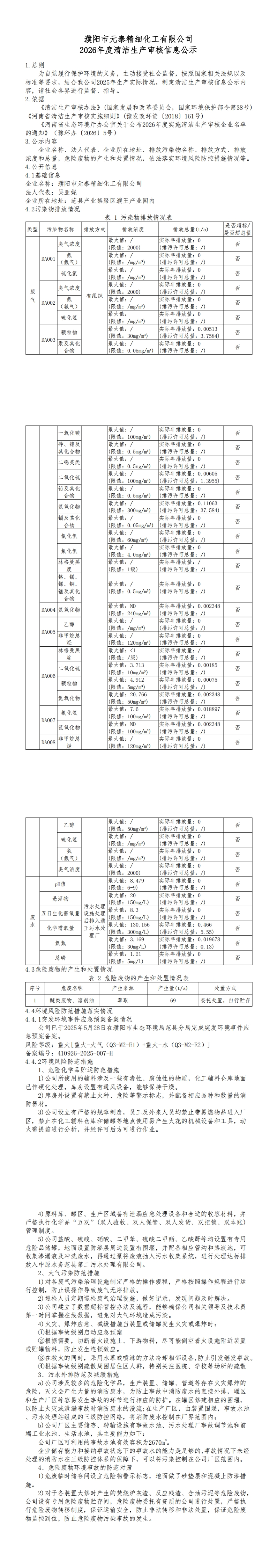
濮阳市元泰精细化工有限公司 2026年度清洁生产审核信息公示
넶
浏览量:
0
끄
收藏
创建时间:
2026-03-06
10:05
ꄴ
前一个:
无
ꄲ
后一个:
无
本网站由阿里云提供云计算及安全服务
本网站支持
IPv6
本网站由阿里云提供云计算及安全服务
本网站支持
IPv6
本网站由阿里云提供云计算及安全服务
本网站支持
IPv6
本网站由阿里云提供云计算及安全服务
本网站支持
IPv6